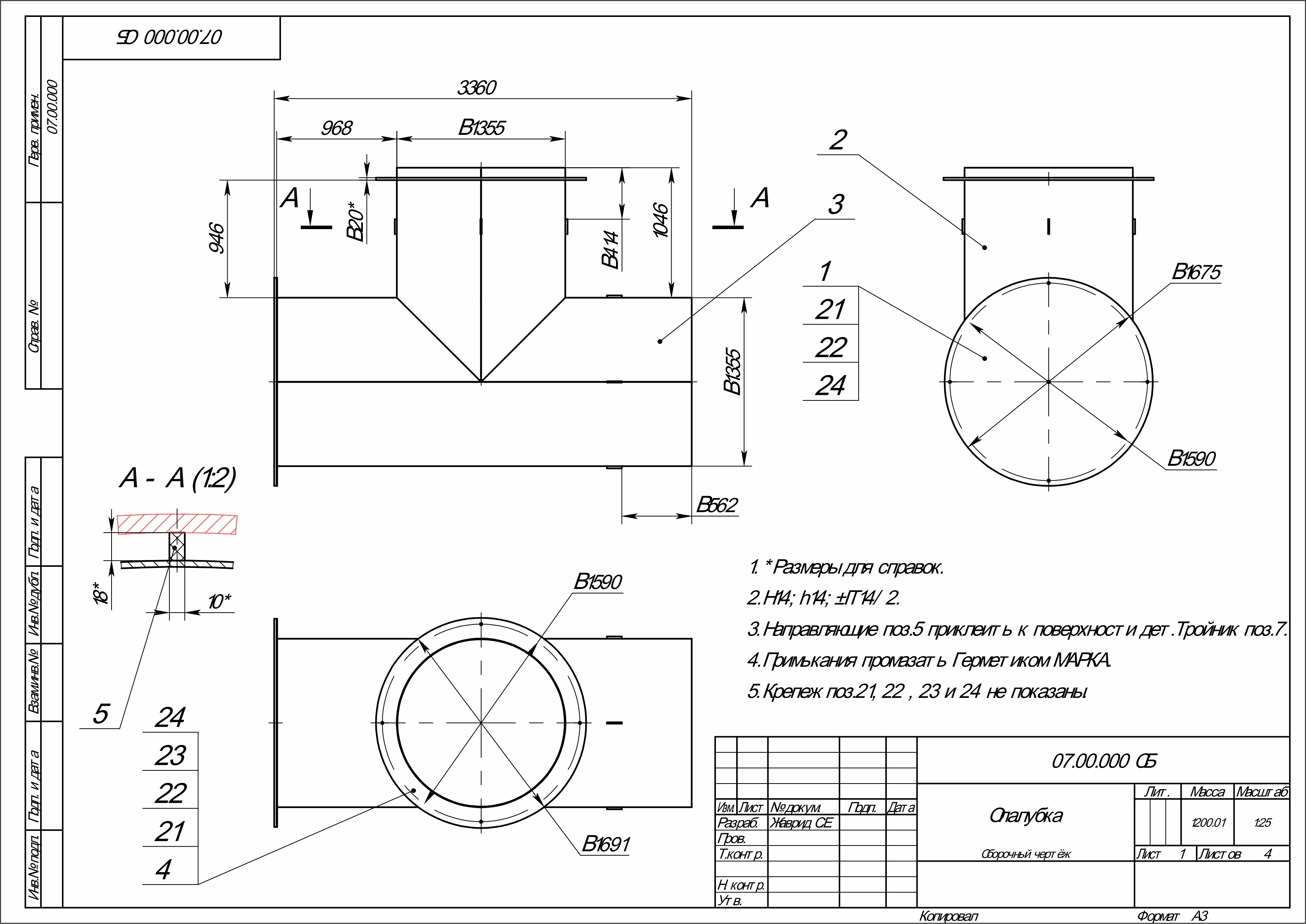
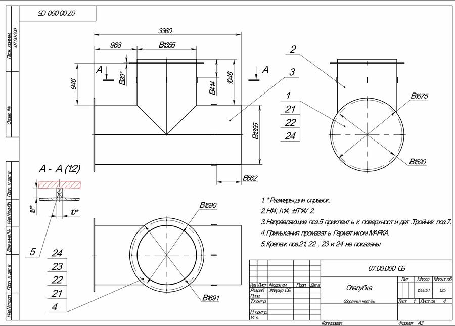
Описание проекта

Проект по созданию разборной опалубки заключался в разработке конструкции для защиты фитингов в трубопроводах с агрессивными жидкостями, такими как кислоты.

Опалубка устанавливается в фитинг, затем туда заливается специальный состав из жидкого пластика — полиуретана для защиты от агрессивной среды. После застывания состава опалубка снимается, оставляя бронированный объект.

В рамках проекта был создан параметрический комплекс для раскроя материала при производстве опалубки, что оптимизирует процесс изготовления опалубки и снижает затраты на производство.

 

Егор
Ваш персональный менеджер
+7 901 905 26 20
В проекте участвовали