Передача коническая

Описание проекта

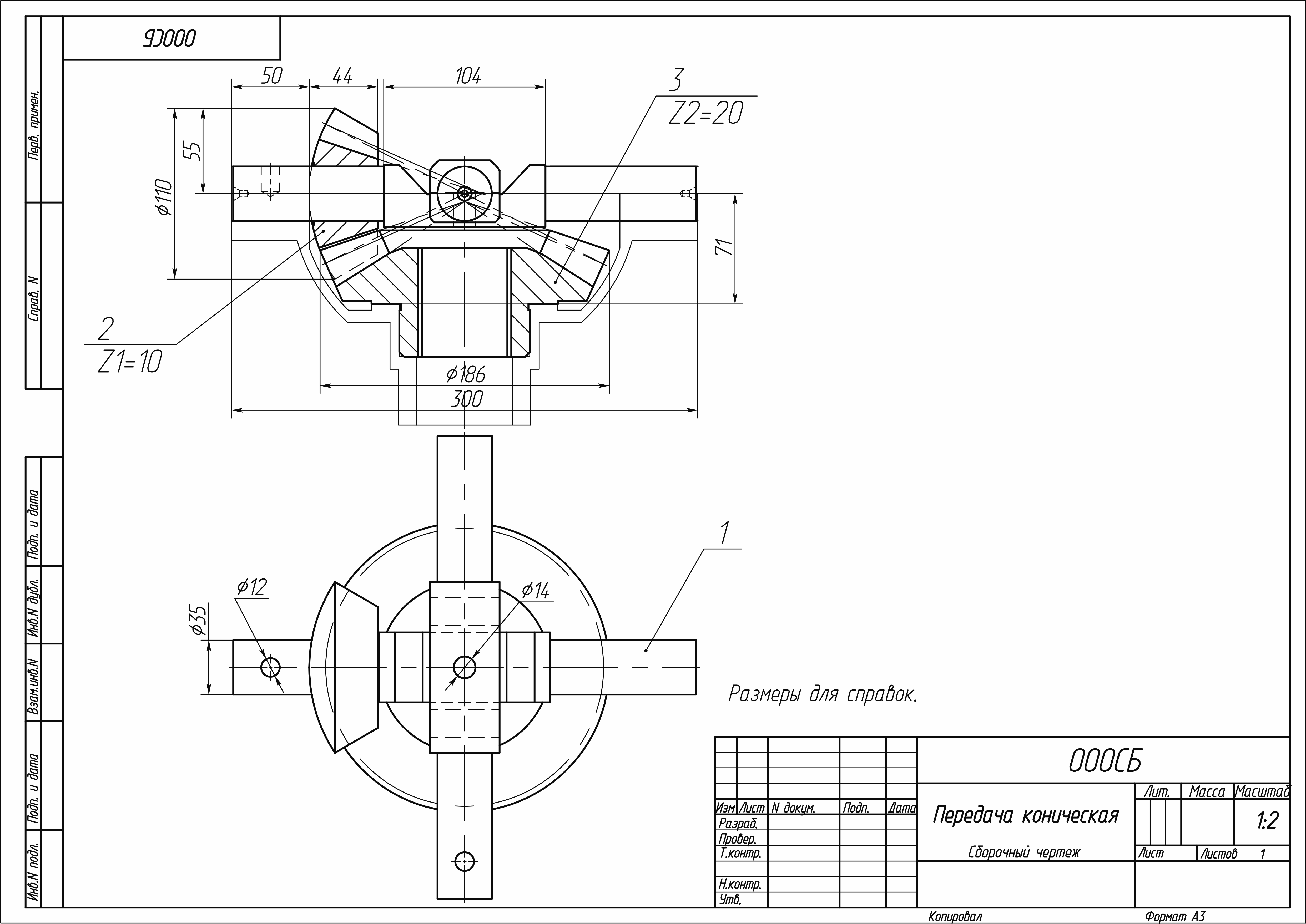
Клиент обратился к нам для разработки комплекта документов для вышедшего из строя узла. Этот процесс необходим для заказа новой конической передачи, которая заменит повреждённый узел.

Чертежи конической передачи должны содержать информацию о размерах, материалах, допусках и посадках деталей, а также о способах крепления и монтажа передачи. Они должны соответствовать стандартам и нормативным документам, чтобы обеспечить надёжность и безопасность работы механизма.

Разработка чертежей конической передачи начинается с анализа исходных данных и определения основных параметров передачи.

После создания конструкции передачи проводятся расчёты на прочность, износостойкость и долговечность, а также проверка условий работы. При необходимости вносятся корректировки в конструкцию или параметры передачи для достижения требуемых характеристик.

Создаются спецификации и пояснительные записки, в которых указаны все использованные материалы, комплектующие и нормативные документы, на основе которых были разработаны чертежи.

Таким образом, разработка чертежей конической передачи требует тщательного анализа исходных данных, проектирования конструкции, проведения расчётов и создания чертежей. Это позволяет создать качественный комплект документов, необходимый для заказа новой конической передачи и замены повреждённого узла.

Егор
Ваш персональный менеджер
+7 901 905 26 20
В проекте участвовали