Тележка для чистки пола

Описание проекта

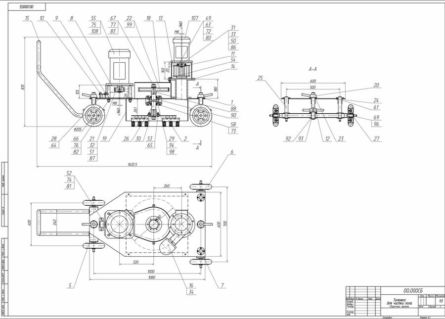
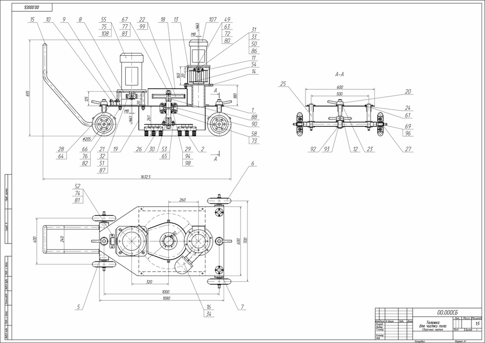
Ручная тележка для чистки пола — это решение, разработанное с учётом потребностей клининговой компании. Тележка оснащена электродвигателем, который приводит в движение щётки из прочного каната. Благодаря этому уборка становится быстрой и эффективной.

Важным преимуществом ручной тележки является возможность регулировки щёток по высоте, что позволяет адаптировать устройство под различные типы напольных покрытий и поверхностей. Это делает тележку универсальным инструментом для уборки полов в офисах, магазинах, складах и производственных помещениях.

Ручная тележка для чистки пола проста в использовании и обслуживании. Её легко перемещать благодаря компактным размерам и небольшому весу. А эргономичная ручка обеспечивает комфортное управление и снижает нагрузку на оператора. Она помогает сэкономить время и усилия сотрудников, обеспечивая при этом высокое качество уборки.

Егор
Ваш персональный менеджер
+7 901 905 26 20
В проекте участвовали